Схема работы
Выход усиленного смешанного сигнала IC 747 подается на закороченные входные контакты 15 и 4 контроллера стереотонов IC TDA1524A (IC4). TDA1524A разработан в качестве активного регулятора стерео-тона / громкости для автомобильных радиоприемников, телевизионных приемников и сетевого оборудования. Включает в себя функции управления низкими и высокими частотами, регулировку громкости со встроенным контуром (можно отключить) и баланс. Все эти функции могут контролироваться напряжением постоянного тока или одиночными линейными потенциометрами. Эта микросхема служит эффективным регулятором тона. Хотя он может работать достаточно хорошо с источником питания 9 В постоянного тока, для лучшего отклика низких частот можно использовать источник питания 12 В. Хороший радиатор необходим для увеличения срока службы и повышения эффективности IC.
Рис. 2: Схема звукового микшера с регулировкой низких, высоких частот, громкости и баланса
Особенности TDA1524A:
- Простая конструкция
- Низкий уровень шума и искажения
- Переключаемый контур (для быстрого изменения тонального отклика)
- Его выход может управлять большинством усилителей мощности.
- Усиление низких частот может быть увеличено за счет использования двухполюсного фильтра нижних частот
- Широкий диапазон напряжения питания
Общие технические характеристики:
- Вход постоянного тока: 12 В (типично)
- Батарея постоянного тока: 35 мА
- Максимальная мощность: 3 В RMS
- Максимальный вход: 2,5 В
- Максимальное усиление: 21,5 дБ
- Диапазон регулировки громкости: от –80 до + 121,5 дБ
- THD при 1 кГц: 0,3%
- Отклонение пульсации при 100 Гц: 50 дБ
VR11, VR12, VR13 и VR14 предназначены для регулировки громкости, баланса, низких и высоких частот соответственно. Переключатель S2 является контурным переключателем, который можно использовать для изменения тонального отклика ИС. Выходы доступны на контактах 8 и 11 для правого и левого канала соответственно. ( Примечание. Поскольку входные контакты 15 и 4 левого и правого каналов были закорочены в этом приложении, микросхема действует как моно-схема управления громкостью / тоном.)
Как делать пассивный звуковой пульт
Пассивный микшерный пульт не требует питания, и его конструкция является настолько простой, что даже начинающие радиолюбители смогут его спаять. Если посмотреть на электросхему устройства, то становится понятно, что в основе данного пульта лежит резистивный принцип. Аппарат способен смешивать 2 сигнала, которые поступают от микрофонного входа X1 (несимметричного) и от входа Х2, к которому может быть подключен внешний источник.
Суммируемый сигнал, приходящий от обоих источников, снимается с помощью резистора R5, после чего он поступает на выход (X3) к устройству записи или воспроизведения.
Для работы данной схемы питание не требуется. Для достижения минимального уровня шумов все элементы должны быть хорошо экранированными. За счет незначительных помех, которые могут образовываться между каналами, соотношение сигнал/шум – является приемлемым. Контакты переменных резисторов R1 и R2, которые являются подвижными, объединяются через 2 резистора – R3 и R4. Это уменьшает их влияние друг на друга во время смешивания.
Следует обратить внимание на то, что у резисторов (переменных) R5, R1 и R2 металлические корпуса, и они должны быть соединены как между собой, так и с корпусом гнезда X1. Кроме этого, они соединяются с общим проводом схемы, а также с корпусом микшера
Для этой схемы рекомендуется использовать тип переменных сопротивлений, не круглых, в которых регулятор движется прямолинейно
Это делается, в большей степени, для удобства, чтобы визуально оценивать положение регулятора, и определять таким образом уровень сигнала
Для этой схемы рекомендуется использовать тип переменных сопротивлений, не круглых, в которых регулятор движется прямолинейно. Это делается, в большей степени, для удобства, чтобы визуально оценивать положение регулятора, и определять таким образом уровень сигнала.
Детали и конструкция
Применение во входных цепях керамических конденсаторов К10-17 нежелательно, они проявляют ощутимый микрофонный эффект. Здесь лучше применить конденсаторы К73-17, остальные — К10-17. На рис. 3
их видно.
В микшере применены оксидно-полупроводниковые конденсаторы К52-1 (в сигнальных цепях), оксидно-электролитические К50-35 на напряжение 16 В или их импортные аналоги. Все постоянные резисторы — МЛТ-0,125, но размеры платы допускают установку резисторов МЛТ-0,25.
Все входные и выходные разъемы — под штекеры Jack 6,3 мм. С целью уменьшения уровня шума и наводок во входных разъемах свободные входы замыкаются на общий провод, в выходных замыкатели не используются.
Подобные разъемы применяются в телевизорах для подключения головных телефонов, но их можно заменить другими подходящими.Микшер собран в корпусе с размерами 320x60x100 мм, изготовленном из металла. Печатные платы изготовлены из стеклотекстолита толщиной 1,5 мм.
Рис. 6. Печатная плата блока питания.
При разработке печатных плат использована программа DipTrace Lite Edition V1.50 (файлы с расширением dip), а для разработки передней панели — программа FrontDesigner 3.0 (файлы с расширением fpl).
Рисунок передней панели (в уменьшенном виде показан на рис. 7
) печатался на струйном принтере на обычной бумаге, затем проводилось одностороннее ламинирование. Защищенная ламинатом передняя фальшпанель обращена наружу, незащищенной стороной она приклеена к предварительно покрашенной металлической панели микшера клеящим карандашом RADEX, предназначенным для склеивания бумаги.
Рис. 7. Рисунок передней панели.
Перед приклеиванием фальш-панели, используя наждачную бумагу с мелким зерном, надо придать окрашенной поверхности небольшую шероховатость. После этого следует удалить сухой тканью пыль и нанести на обработанную поверхность клей. Этот клей не проникает сквозь бумагу и не растворяет чернила принтера, а после высыхания прочно удерживает ламинированную фальшпанель и защищает ее от возможных механических повреждений.
Измерения параметров микшера проводились с помощью прибора РАП-ТВ-УКВ (радиочастотный анализатор передатчиков), предназначенного для измерения параметров ТВ и УКВ передатчиков на радиочастотах. Он имеет возможность проведения измерений и на звуковых частотах.
При испытании микшера использовались усилитель музыкального центра Technics SC-CA1060 (2×40 Вт), электрогитара Yamaha EG112UP, электроакустическая гитара Epiphone PR-4E и доработанный микрофон Philips SBC MD 150 китайского производства. Работа микшера получила хорошую оценку моих друзей—музыкантов; отмечено удобство работы с ним.
В. Овсянников, г. Пермь. Р2009, №12.
Микшерный пульт предназначается для смешивания нескольких аудио сигналов. К примеру, его применяют, если нужно озвучить любительский фильм, или требуется голосовое сопровождение дискотеки, для экскурсоводов, для караоке, чтобы подключить музыкальный инструмент к компьютеру и т.д. Микшер используется при звукозаписи и для проведения концертов, когда звукорежиссеру требуется выставить оптимальные параметры звука для зала. Исходя из сказанного, понятно, что данный аппарат является незаменимым, и использование его многогранно.
В продаже имеется огромное количество моделей, как для профессионалов, так и для обычных пользователей. Но для начинающих музыкантов или просто любителей караоке цены на аудио оборудование кажутся достаточно высокими. Поэтому для домашнего использования микшер можно сделать своими руками.
По своей сути, микшерные пульты бывают двух основных типов.
-
Пассивные
, которые не имеют в своей конструкции усилительного модуля. Такие устройства предназначены для работы над уже усиленным сигналом. Пассивные пульты используются в случаях, когда необходимо смешать несколько сигналов с высоким уровнем, поскольку они работают только на ослабление сигнала. -
Активные,
которые имеют блок усиления и работают с сигналами низкого уровня, то есть не усиленными. Поступающий на вход аппарата сигнал усиливается предусилительным модулем. Также, благодаря источнику питания, в таких устройствах есть возможность применять микросхемы и транзисторы, что заметно расширяет их функциональность, если сравнивать с пассивными пультами.
Активные микшеры с успехом применяются в студиях, на концертах, где решают различные задачи по обработке и усилению сигнала, его индикации и коммутации, а также для фантомного питания микрофонов (конденсаторных). Именно активные модели получили набольшее распространение. Некоторые из них имеют встроенный процессор цифровых эффектов
, который еще больше расширяет возможности звуковой аппаратуры.
Схема микшерного пульта

Схема подключения микшерного пульта, несмотря на свою простоту, требует четкого знания каждого входа и выхода и их предназначения.
Микшерный пульт – устройство, которое предназначено для сведения (суммирования) нескольких звуковых сигналов в один или несколько выходов. Также при помощи микшера осуществляется маршрутизация звуковых сигналов. Эти пульты используют для звукозаписи (студийной и домашней), репетиций и концертного звукоусиления.
Микшерные пульты разделяют на:
Кроме того существует отдельный класс микшеров, которые применяются ди-джеями.
Микшеры имеют секцию выходов и секцию входов.
OUT – Выходы
Секция выходов представляет собой систему контроля всех присутствующих на пульте выходов. Она может состоять из:
- Ячеек подгрупп – универсальных шин, которые позволяют объединять входные сигналы и управлять такой группой одним ползунком (фэйдером). Пример: можно объединить несколько сигналов от ударной установки в одну подгруппу.
- Феэдеров уровня главного выхода.
- Регуляторов уровня Aux-шин. Кроме Aux выходов многие пульты имеют Aux-входы, которые по своей сути являются доп. входами. Система «посыл-возврат» обычно используется для обработки сигнала внешним процессором эффектов.
- Доп. функций (общий эквалайзер, набор универсальных шин, выходы на мониторы и наушники и т.д.).
IN – Входы
Секция входов состоит из входных каналов— моно и стерео. Вход каждого моно канала оформляется двумя гнездами: для микрофона (XLR) и линейного источника сигнала (RCA или TRS).
Основные блоки обработки входных каналов:
- предусилитель с регулировкой чувствительности (Gain), который задает оптимальный рабочий уровень сигнала.
- источник фантомного питания – используется для конденсаторных микрофонов и ди-боксов.
- многополосный эквалайзер – позволяет корректировать частотную характеристику входного сигнала.
- регулятор панорамы – определяет положение сигнала в стерео картинке.
- фейдер регулирования громкости канала.
Схема подключения микшерных пультов незначительно зависит от их производителя, так как общая структура устройства является идентичной. Различия в подключении могут возникнуть при рассмотрении разных моделей, так как в бюджетных устройствах отсутствуют многие регуляторы и выходы присущие профессиональной технике.
Ниже приведены схемы подключения микшерного пульта behringer для разных условий и разных моделей устройств.
RealTime Linux Kernel
Обработка живого звука на бытовом железе обычно связана с одним неприятным эффектом: задержкой вывода. Чем больше задержка, тем сложнее человеку говорить в микрофон, так что, для комфортной работы ведущих, необходимо её минимизировать. Задержка вызвана буферизацией, а уменьшение буфера приводит к его периодическому опустошению или переполнению (xrun), что звучит как 100-1000мс громкого треска, то есть, неприемлемо.
С обычным ядром Linux, xrun’ы у меня возникают примерно раз в пару минут даже при очень большом буфере. Не знаю с чем это связано, но так точно не пойдёт. Можно было бы докопаться до сути и собрать своё ядро без лишнего мусора, однако, наиболее простым plug-and-play решением является Real-Time ядро Linux. На сайте JACK пишут, что RT-режим звукового сервера работает даже на обычном ядре, но точно не из коробки. Первое, что мы сделаем для подготовки системы к обработке живого звука — установим RT-ядро и перезагрузимся в него:
Параметры каналов[править]
Давайте рассмотрим общие параметры всех каналов микшера. На данном этапе мы рассмотрим только самые главные параметры, остальные не так важны и внесут только путаницу.
- On/Off – вкл./выкл. канала. Если нажать по данному параметру правой кнопкой мыши, то выбранный канал будет звучать в соло.
- Panning – панорамирование (что это такое мы уже с вами рассматривали).
- Volume – громкость канала.
Щёлкните по любому из каналов правой кнопкой мыши, в результате появится меню представленное ниже.
- Rename, color and icon… – стандартное меню переименования, окраски и установки иконки, которое мы уже с вами рассматривали.
- Dock to – позволяет пристыковать выбранный канал микшера влево (Left), вправо (Right) или оставить в середине (Middle). Это важная возможность для удобного создания каналов посыла/возврата, что мы рассмотрим позже, сейчас же вам нужно просто усвоить как это работает. Попробуйте для разных каналов различные варианты. На картинке ниже приведен пример, где каналы 5 и 6 пристыкованы к левой части, а 123 и 125 к правой. И вот в чем особенность, если вы сейчас попробуете “прокрутить” видимые каналы, то левая и правая части будут стоять на месте, а перемещаться только середина. Такая стыковка позволяет постоянно видеть те каналы которые постоянно нужны. Если вы нажмете по разделителю, он спрячет все каналы, для того чтобы их вернуть просто еще раз нажмите по нему.
- Move left/Move right – переместить влево/вправо. Примечание: Более просто способ переместить канал в микшере, это навести на его название курсор мыши, затем нажать клавишу Shift и покрутить колесо мыши.
Схема простого пассивного микшера
Микшерный пул без источника питания? Да, это простейшая конструкция доступна для сборки даже начинающим радиолюбителям.
В электрической схеме микшера применен резистивный принцип. Устройство смешивает сигналы от одного несимметричного микрофонного входа
Х1 и от одного несимметричного входа внешнего источника — Х2. Вход Х1 предназначен для низкоомного источника сигнала чувствительностью порядка 2. 3 мВ и к нему подключают как динамические микрофоны, так и все другие низкоомные источники, как-то: адаптеры для гитар, магнитные звукосниматели и т.д. Второй вход Х2 “Магнитофон” имеет чувствительность порядка 150 мВ и служит для подключения линейных выходов магнитофонов, радиоприемников, тюнеров и т.д.

Суммарный сигнал снимается с резистора R5 и подается на стандартную трехконтактную вилку, присоединяемую к микрофонному входу магнитофона, на который подается смешанный сигнал для проведения комбинированной записи с микшера.
Схема микшера пассивная, без источника питания, однако имеет достаточно низкий уровень шума за счет тщательной экранировки элементов. Малые паразитные переходы между каналами позволяют получить удовлетворительное отношение сигнал/шум. Подвижные контакты потенциометров R1 и R2 объединены через резисторы R3 и R4 с целью уменьшения их взаимного влияния при смешивании сигналов.
Особое внимание следует уделить экранировке всех радиокомпонентов микшера. Все металлические корпуса потенциометров R1, R2, R5 соединяются между собой и с гнездом Х1 (корпусом гнезда), подключаются к корпусу пульта-микшера и к общему проводу схемы
В микшере лучше всего использовать не круглые потенциометры типа СП, а с прямолинейным движением подвижного контакта — это даст ясное представление по положению регулятора об уровне сигнала
Все металлические корпуса потенциометров R1, R2, R5 соединяются между собой и с гнездом Х1 (корпусом гнезда), подключаются к корпусу пульта-микшера и к общему проводу схемы. В микшере лучше всего использовать не круглые потенциометры типа СП, а с прямолинейным движением подвижного контакта — это даст ясное представление по положению регулятора об уровне сигнала.
Автор статьи — Е. Бригиневич. Статья опубликована в РЛ, №5, 1993 г.
Модульный микшер звука с одним источником питания
В этой серии статей будет представлен простой микшер звука со следующими характеристиками:
- Компактный и простой;
- Модульный;
- Мононофонический;
- Единый блок питания;
- Простая схема и печатная плата.
Загрузите полную схему Kicad (181,6 КБ), печатную плату, файлы gerber и pdf для этого проекта. Modular_audio_mixer_Kicad4.04
Рис. 2: Печатная плата для трех плат микшера. Начиная слева: плата микрофонного входа, плата линейного входа, основная плата.
Рис. 3: Шелкография для трех микшерных панелей. Начиная слева: плата микрофонного входа, плата линейного входа, основная плата.
Просто и компактно
Разработанный с учетом этих характеристик, смеситель не требует излишеств, его легко и быстро собрать. Регулировка громкости для каждого канала и основной громкости — это минимальные требования для простого микшера. В качестве дополнительной функции можно припаять светодиод источника питания и светодиод ограничения. Благодаря сменным модулям можно подобрать оптимальную настройку для каждой ситуации. Так или иначе, несмотря на свою простоту, микшер звука был разработан с учетом качества аудио сигнала.
Модульный
Три платы микшера звука (микрофонный вход, линейный аудиовход и основная) позволяют персонализировать количество и тип каналов в соответствии с потребностями использования даже после сборки микшера звука. На рисунке 4 показана возможная конфигурация, полезная, например, для группы любительского диапазона.
Рис. 4: Примеры применения: 7-канальный микшер с 4 линейными входами и 3 микрофонными входами.
Монофонический звук
Простая и компактная конструкция подразумевает выбор монофонического звука, чтобы избежать усложнения схемы и сборки. Есть много случаев, когда моно микшер является наиболее практичным выбором, например, простая комната для репетиций, ночь караоке или переносной громкоговоритель на батарейках.
Единый источник питания
Двух-полярный источник питания упрощает схему и ее конструкцию, но во многих распространенных ситуациях это непрактично и сложно настроить: например, автомобили, аккумуляторы или бытовые зарядные устройства обычно предлагают один источник питания. Одно из наиболее распространенных напряжений — 12 В, поэтому микшер звука был рассчитан на это напряжение.
Микшер также может работать в диапазоне от 6 В до 24 В с двумя небольшими модификациями, при условии, что выбранный операционный усилитель, такой как LM358, поддерживает его. В этом случае резисторы светодиодов на главной плате должны быть соответственно заменены, как показано в Таблице 1.
Таблица.1
Светодиодные резисторы по напряжению питания
|
Источник питания |
Светодиодные резисторы RL1 и RL2 |
| 6В | 390 Ом |
| 12В | 1 кОм |
| 24В | 2,2 кОм |
Микшер звука — простая схематическая и печатная плата
В микшере звука используются только очень популярные компоненты электроники. Более того, операционный усилитель LM358 очень распространен и имеет множество эквивалентных интегральных схем. Все резисторы и конденсаторы имеют стандартные значения серии E12, и, если возможно, всегда использовалось одно и то же значение, чтобы уменьшить количество различных элементов, которые нужно покупать.
Односторонняя печатная плата имеет широкие дорожки, поэтому ее могут легко собрать и любители, используя метод рисования пером или фото гравировки на контактном копировальном аппарате. На платах есть отверстия для винтов, а расстояние между потенциометрами всегда одинаково, поэтому пользовательскую панель можно легко построить.
Предыдущая запись Фильтр низких частот для сабвуфера
Следующая запись Микроконтроллеры — новые модели
Усилитель мощности звука
Схема усилителя звука, показанная на рис. 4, является дополнительной. Можно использовать намного более мощный аудио усилитель вместе со схемой аудио микшера.
Усилитель звука с низким энергопотреблением, использующий IC LM386 (IC5), показанный на рис. 4, может выдавать максимальную мощность звука 1 Вт. Он получает питание +12 В постоянного тока на своем выводе 6. Аудиовход от таких источников, как Walkman и аудиомикшер, можно подавать на вывод 3 IC5 через регулятор громкости VR15.
Рис. 3: Цепь питания
Усиление LM386 внутренне установлено на 20, чтобы поддерживать низкий счетчик внешней части. Тем не менее, чтобы сделать LM386 более универсальным усилителем, предусмотрены контакты 1 и 8 для установки усиления — внешне на любое значение между 20 и 200 — с использованием соответствующей комбинации резистора и конденсатора. Если между выводами 1 и 8 подключить только конденсатор, используя переключатель S3, как показано на рис. 4, коэффициент усиления увеличится до 200 (46 дБ). Усиленный выходной сигнал берется с контакта 5 и подается на громкоговоритель через электролитический конденсатор C39 (100 мкФ). Чем выше значение C39, тем выше уровень звуковой частоты в динамике.
Рис. 4: Схема усилителя звука с низким энергопотреблением
Источник питания
Блок питания для схемы показан на рис. 3. Он состоит из понижающего трансформатора (230 В переменного тока первичной обмотки до 12 В-0-12 В, 1 А вторичной обмотки), мостового выпрямителя, фильтровальной сети и ИС 7812 и 7912 регулятора для обеспечения + 12В и –12В регулируемые выходы постоянного тока соответственно. Когда переключатель S1 замкнут, на наличие питания указывает свечение светодиода 1.
Виды микшеров
На отечественном рынке представлено огромное количество самых разнообразных микшерных устройств: аналоговые и цифровые, концертные и студийные, бюджетные и профессиональные и т. д. Что они собой представляют и как подключаются к соответствующему оборудованию, можно прочитать в также в этом разделе. Однако несложно изготовить простой микшерный пульт и своими руками, о чем и пойдет речь далее.
Для смешивания аудиосигналов можно использовать как пассивный, так и активные микшерные устройства. При этом наиболее простым является пассивный микшер, не имеющий в своем составе ни источника питания, ни выходного усилителя. Другими словами, пассивный микшерный пульт — это прибор, предназначенный для работы с предварительно усиленными аудиосигналами.

Активный микшерный пульт GLAY PMX-6USB
Активные микшерные устройства используются в тех случаях, когда необходимо озвучить конкретное пространство. По своей сути он представляет собой законченное схемотехническое и конструктивное решение, позволяющее справиться с определенной задачей.
Существует достаточно много разновидностей активных микшеров, например:
- звукорежиссерские;
- студийные;
- диджейские и пр.

В зависимости от своего назначения профессиональные микшерные пульты оснащаются различными устройствами для обработки и регулировки звука. К числу стандартных органов управления относятся:
- фейдеры (регуляторы громкости);
- эквалайзеры (темброблоки);
- регуляторы уровня предварительного усиления, компрессии и т.д.
Узкоспециализированные микшерные устройства предоставляют пользователю больше возможностей по обработке звука в каждом канале. Для этого изготовители встраивают в них один или несколько процессоров эффектов, с помощью которых можно наложить на аудио сигнал имитацию эха, реверберации, хоруса (хоровое звучание музыкальных инструментов), фланжера («летящее» звучание) и пр.

Рэковый микшер Behringer pmp1680s
Микшерный пульт из USB-звучки и опенсорса
Иногда у меня, как у звукача аниме/гик фестивалей/конвентов, появляется задача обеспечить звуком небольшой ивент, на площадке которого нет вообще ничего из оборудования. Такие патички довольно лайтовы и располагают к экспериментам. Так, для нашего осеннего опенэйра я выбрал следующий (весьма непривычный) опенсорсный сетап, который в итоге отлично сработал:
- Колонка 50 Вт
- Два микрофона
- Аудиоинтерфейс из серии BEHRINGER U-PHORIA
- Ноутбук на линуксе в качестве микшера и хоста плагинов для обработки звука в качестве звукового сервера в качестве основного плеера
Идея делать микшер из простейшего аудиоинтерфейса на опенсорсном софте мне настолько понравилась, что я решил поделиться.
- Это интересно и познавательно! Вы можете сделать свой собственный FOSS-микшер не хуже серьёзных девайсов.
- Можно использовать почти любые плагины.
- Не надо арендовывать и таскать дополнительную бандуру (аппаратный микшер).
- Меньше проводов => меньше шумов.
- Полностью всё управление шоу в одном месте. Простор для автоматизации a-la QLab.
Однако, это же и минус: если посреди шоу выходит из сторя ноут, то наступает полный блэкаут. Даже микрофоны перестают работать. Решения нет: надо эксплуатировать аккуратно, много тестить до ивента и подготовить резервный ноут.
Стоит ли вообще приобретать пульт
Люди, которые только начинают работаться со звуком, часто сомневаются в необходимости покупки такого сложного прибора для своей работы. До покупки стоит заняться освоением сопутствующего программного обеспечения. Некоторые программы позволяют сделать электронную музыку примерно такого же качества, как и с применением микшера.
Большинство всего имеющегося программного обеспечения создано под операционную систему Windows. К каждой программе имеется подробная инструкция по использованию и указываются минимальные системные требования. Некоторые программы являются платными. Возможно, придётся оплатить подписку, чтобы получить доступ ко всем функциям. Но некоторые компании предоставляют полную версию на 30 дней. Скачивать софт нужно только с официальных сайтов изготовителей. Иначе существует риск скачать вредоносное программное обеспечение.
Подводя итог, следует отметить, что качественное оборудование поможет в работе как начинающему музыканту, так и профессиональному звукорежиссеру
Но важно также подобрать пульт под свои навыки и финансовые возможности. Идеально подобранный пульт прослужит своему хозяину не один год
Однако с ростом знаний и навыков придется подбирать устройство соответствующего уровня
Однако с ростом знаний и навыков придется подбирать устройство соответствующего уровня.
Выходной каскад / сумматор
Любое количество входных каскадов можно подключить к входу IN, просто подключив выходы OUT входных каскадов.
P1 — это потенциометр с логарифмическими характеристиками, который используется для регулировки уровня сигнала на выходе смесителя. Первый ОУ вместе с R1 и R8 образуют сумматор. Второй ОУ вместе с R2, R3 образуют инвертор, благодаря чему получаем симметричный сигнал на выходе.
Для всей схемы требуется стабилизированный симметричный источник питания +/- 12 В или другое значение, учитывая максимальное и минимальное напряжение питания операционных усилителей и возможно скорректировать значение резистора R13, ограничивающего ток светодиода (по яркости).
Как сделать корпус для микшера
Корпус для звукового пульта можно изготовить своими руками из любого материала, поддающегося легкой обработке: пластика, пластмассы, оргстекла, текстолита и т.д.

Все детали вырезаются с учетом размеров печатной платы и расположения регуляторов, гнезд, которые будут выходить наружу. Стенки короба удобно соединять при помощи клеевого пистолета. Далее, проделайте следующее.

Если ваша схема микшера предусматривает установку линейных регуляторов и таких же индикаторов, то пазы прорезаются на верхней крышке короба.
На этом изготовление корпуса для микшера заканчивается.
Для школьных дискотек и любителям звукозаписи журнал «Funkamateur» (ГДР) предлагает схему пяти «анального стереомикшера (рис. 1). Рассчитан он на подключение двух стереопроигрывателей (Х1, Х2), двух стереомагнитофонов (ХЗ, Х4) и одного микрофона (Х5) для солиста или ведущего программу.
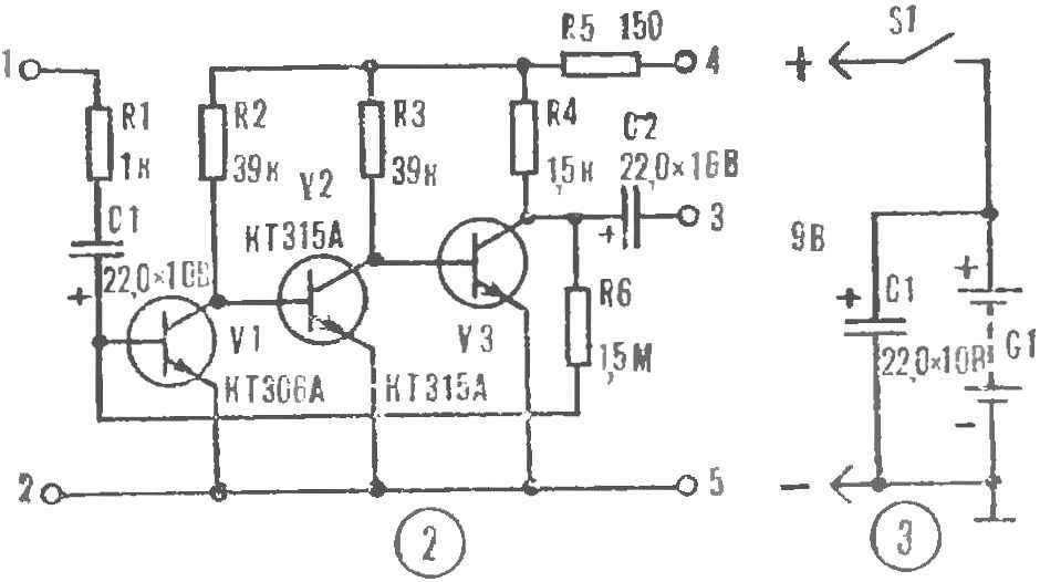
Конструкция максимально упрощена за счет применение унифицированных схемных решений, блоков и деталей. Предварительные усилители V1-V10 выполнены на трех транзисторах V1-V3 по одной и той же схеме (рис. 2). В первых каскадах установлены малошумящие полупроводниковые триоды, например серии КТ306 или КТ3102. Усиление каналов устанавливают подстроечными резисторами R2, R7, R42, а плавную регулировку уровней производят потенциометрами R4, R9, R44.

Входные Х1-Х4 и выходное Х6 гнезда — пятиштырьковые, а гнездо микрофона Х5 — трехштырьковое. Питается прибор ст шести сухих элементов по 1,5 В, зашунтированных конденсатором емкостью не менее 220 мкФ (рис. 3).

Пульт собран в небольшом металлическом футляре с наклонной лицевой панелью и имеет размеры 240X160X110 (40) мм.
Микшерный стерео пульт

Микшерный пульт имеет 2 микрофонных и 2 линейных входа, регулировку частотной характеристики и панорамный регулятор. Структурная схема показана на рисунке ниже
Она состоит из 4 блоков предварительного усиления (ПУ1 – ПУ 4),согласующего усилителя (СУ 1- СУ 2), усилителя мощности (УМ) и блока питания (БП).
Принципиальная схема предварительного усилителя
Сигнал с входа через конденсатор С1 поступает на линейный усилитель, собранный на VT1. Коэффициент усиления этого каскада равен 20.Усиленый сигнал подается на тембра блок, собранный на VT2.
После панорамного регулятора сигнал в каждом канале еще одним каскадом на транзисторах VT5 и VT6.Предварительный усилитель 3-го канала собран без линейного усилителя (VT1), а 4-го канала без линейного усилителя и тембра блока.
Принципиальная схема согласующего усилителя
Выполнен на транзисторе VT 1, включенном по схеме с общим коллектором.
Усилитель мощности собран на двух К174УН7, схема включения стандартная.
Блок питания собран по этой схеме
Все сигнальные провода и трансформатор экранированные.Корпус собрал из 3 мм дюралюминия, ручки выточил на токарном станке из оргстекла.
Фотографии микшера:
P.S. Планирую КТ315 заменить на КТ3102, больно шумные оказались 315, и собрать светодиодный индикатор уровня сигнала. В принципе получился не плохой пульт, я 4 года работал звукорежиссером, так что есть, с чем сравнивать.
Игорь М
Список радиоэлементов
ОбозначениеТипНоминалКоличествоПримечаниеМагазинМой блокнот Предварительный усилитель VT1-VT6
Биполярный транзистор КТ315Б 6 Поиск в Utsource В блокнот С1-С3, С7, С9-С12, С14-С17
Электролитический конденсатор 10 мкФ 10 В 12 Поиск в Utsource В блокнот С4, С5
Конденсатор 2200 пФ 2 Поиск в Utsource В блокнот С6
Электролитический конденсатор 5 мкФ 10 В 1 Поиск в Utsource В блокнот С8
Электролитический конденсатор 50 мкФ 10 В 1 Поиск в Utsource В блокнот С13
Электролитический конденсатор 200 мкФ 10 В 1 Поиск в Utsource В блокнот R1, R28, R32
Резистор 6.2 кОм 3 Поиск в Utsource В блокнот R2, R27, R31
Резистор 360 кОм 3 Поиск в Utsource В блокнот R3, R29, R30
Резистор 130 Ом 3 Поиск в Utsource В блокнот R4
Резистор 3 кОм 1 Поиск в Utsource В блокнот R5, R7
Резистор 8.2 кОм 2 Поиск в Utsource В блокнот R6, R10
Переменный резистор 51 кОм 2 Поиск в Utsource В блокнот R8, R36
Резистор 39 кОм 2 Поиск в Utsource В блокнот R9
Резистор 5.6 кОм 1 Поиск в Utsource В блокнот R11
Резистор 180 кОм 1 Поиск в Utsource В блокнот R12, R25, R26
Резистор 4.7 кОм 3 Поиск в Utsource В блокнот R13
Резистор 100 Ом 1 Поиск в Utsource В блокнот R14
Резистор 2.2 кОм 1 Поиск в Utsource В блокнот R15
Переменный резистор 33 кОм 1 Поиск в Utsource В блокнот R16, R19
Резистор 470 кОм 2 Поиск в Utsource В блокнот R17, R18, R34, R35
Резистор 33 кОм 4 Поиск в Utsource В блокнот R20, R21
Резистор 4.3 кОм 2 Поиск в Utsource В блокнот R22, R23
Резистор 10 кОм 2 Поиск в Utsource В блокнот R24
Переменный резистор 10 кОм 1 Поиск в Utsource В блокнот R33
Резистор 120 Ом 1 Поиск в Utsource В блокнот Согласующий усилитель VT1
Биполярный транзистор КТ315Б 1 Поиск в Utsource В блокнот С1, С2, С4
Электролитический конденсатор 10 мкФ 10 В 3 Поиск в Utsource В блокнот С3
Электролитический конденсатор 5 мкФ 10 В 1 Поиск в Utsource В блокнот R1
Резистор 27 кОм 1 Поиск в Utsource В блокнот R2
Резистор 30 кОм 1 Поиск в Utsource В блокнот R3
Резистор 10 кОм 1 Поиск в Utsource В блокнот R4
Резистор 2 кОм 1 Поиск в Utsource В блокнот R5
Резистор 12 кОм 1 Поиск в Utsource В блокнот Добавить все
Скачать список элементов (PDF)
Игорь МОпубликована: 2012 г.0Вознаградить Я собрал 0 0
x
- Техническая грамотность
- Актуальность материала
- Изложение материала
- Полезность устройства
- Повторяемость устройства
- Орфография



























