Стиральная машина самостоятельно включается
Самопроизвольно включение стиральной машины — проблема не такая распространённая, как её выключение. Вызывают подобное более серьёзные поломки, чаще всего связанные с элементами питания устройства:
- Неисправность розетки. Сломанное электрическое гнездо может выдавать напряжение перепадами, что часто приводит к произвольному включению машинки. Исправит ситуацию только замена неисправной розетки. Сломанная вилка также может выступать источником неправильной подачи тока.
-
Неисправность сетевой кнопки. Контакты, ведущие от кнопки включения и выключения на машинке, могут работать неправильно из-за попадания конденсата при недостаточной или неправильной их изоляции. Таким образом сигнал включения может подаваться ошибочно, а исправить ситуацию можно заменой сетевой кнопки и её контактов, что требует вызова мастера.
Машинка может включаться самостоятельно, если есть проблемы с контактами на кнопке включения
- Сбой в блоке управления. В редких случаях произвольное включение — это следствие ошибок в прошивке блока управления. Решит проблему только опытный мастер.
Стиральная машинка может сама выключаться в процессе работы, выдавая на экране код ошибки — в такой ситуации необходимо прочесть в инструкции, что пошло не так. Но если устройство включается и отключается само без каких-либо сигналов, то без помощи специалиста обычно не обойтись.
Бьет током стиральная машина без заземления — моделирование ситуаций
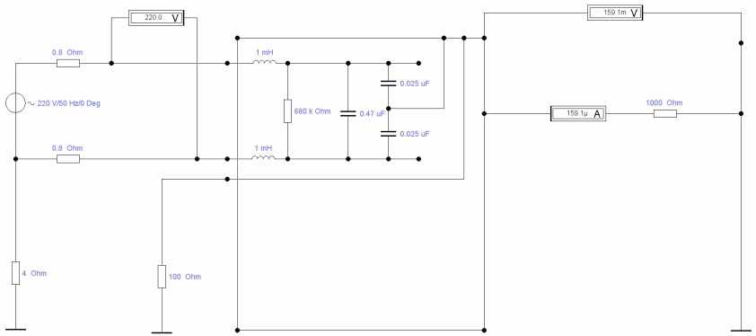
Теперь смоделируем ситуации со стиральной машиной. Для начала включим ее в сеть и посмотрим разность потенциалов между корпусом и проводящим элементом коммуникаций, связанным с землей (труба, кран, батарея). Так как стиральная машина подключена без заземления или зануления, то вольтметр покажет разность потенциалов 110 Вольт.
Что произойдет с человеком, если он одновременно прикоснется к металлической трубе и участку корпуса стиральной машины с повреждением лакокрасочного слоя? Через тело человека пройдет ток 1,75 мА, вызывающий зуд и легкое пощипывание кожи, сильное дрожание пальцев рук.
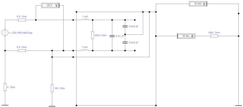
Теперь соединим корпус стиральной машины с заземлителем с очень большим сопротивлением 100 Ом. В данном случае получаем систему TT. В результате проходящий через человека ток значительно снизился до 0,16 мА, что вполне безопасно. Поэтому, для нормальной защиты необязательно делать идеальное заземление с сопротивлением заземляющего устройства порядка 4 Ом.

Теперь рассмотрим ситуацию с занулением — система TN-C-S или TN-S. В этом случае через человека пройдет еще меньше тока 0,03 мА.

Как видно, несмотря на то, что стиральная машина работает и без заземления, не стоит пренебрегать данной защитой. Но, как и упоминалось ранее, многие просто физически не имеют возможности сделать ни заземления, ни зануления. А УЗО без заземления, хоть и не идеально при пробое фазы на корпус, проблему сетевого фильтра не решает.
Зачем стиральной машине сетевой фильтр
В стиральной машине сетевой фильтр – устройство, пропускающее колебания 50 Гц, но задерживающее прочие частоты. Перебои напряжения и скачки отличаются от синусоиды, присутствуют ощутимые всплески амплитуды, способные нарушить работы аппаратуры, даже сломать. Внутри прибора также присутствует нестабильность. Каждые срабатывание реле и включение асинхронного двигателя сопровождаются генерацией пиков либо провалов токов, которые не должны выйти в сеть, чтобы не навредить, допустим, соседскому оборудованию. Подобные нестабильности образуют высокочастотные гармоники, подключение стиральной машины к сети через фильтр нивелирует разрушительный эффект.
825 рублей не предел, но далеко не нижняя планка. Сетевой фильтр стоит дорого. Корпус ряда устройств замыкается на корпус стиральной машины. Требуется заземлять прибор. Нередко пользователи утверждают, что допустимо работать без сетевого фильтра для стиральной машины. Отчасти верно. Но помехи, созданные асинхронным двигателем, способны повредить любой бытовой прибор в доме: телевизоры, мультиварки, микроволновки. Особенно страдает техника с сенсорным управлением. Фильтр преимущественно защищает электрическую сеть от стиральной машины.
Замечали, приборы бьются током после извлечения вилки из розетки. Это происходит благодаря сетевому фильтру. В состав входят конденсаторы, накапливающие энергию, потом происходит кратковременный разряд через руку. Искрогасящие цепочки, включающиеся параллельно датчикам давления и электрическим клапанам, также считаются фильтрами. Это простейшие RC-цепочки, номиналы элементов прописаны прямо на корпусе. Упоминали выше про фильтр для стиральной машины Hansa (Miflex X 17-3), агрегат выглядел бы примерно как на рисунке ниже. Это схема, нарисованная на корпусе в непривычном виде.

Индуктивности становятся сопротивлениями исключительно для высоких частот. Высшие гармоники спектра на них погасятся. Происходит защита от резких фронтов, неизбежно созданные асинхронным двигателем и рядом прочих устройств в стиральной машине. Резонансная частота контура настроена на 50 Гц. Высшие частоты замыкаются через конденсатор. Резистор присутствует для разряда. Когда беремся рукой за вилку и чувствуем удар, явление происходит из-за большой постоянной времени RC-цепочки. Если подождать чуть дольше, удара не будет. Ток спустится через резистор.
В отдельных случаях индуктивности отсутствуют. Эта примитивная конструкция обеспечивает худшее качество. Возможно собрать сетевой фильтр для стиральной машины собственноручно при наличии навыков обращения с паяльником и травления плат. Потребуется правильно подобрать элементную базу, чтобы выдерживала воздействие питающего напряжения, намотать индуктивности, которые переварят подводимый ток. Не стоит путать наличие сетевого фильтра стиральной машины и использование предохранителя. Это отдельные устройства:
- Сетевой фильтр защищает сеть и стиральную машину от помех;
- Предохранитель защищает оборудование от перегрузки.
Недаром корпуса заводских изделий собираются из прочного пластика и заливаются термостойким и водостойким компаундом. Если в процессе работы сюда попадет жидкость, она угрожает жизни людей. В лучшем случае выбьет пробки. По указанной причине каскад располагается в верху корпуса. Фильтр редко ломается, способен оплавиться подводящий провод. Тогда устройство заменяется на аналогичное. Компаунды сегодня возможно купить. Если элементная база в наличии, удастся собрать сетевой фильтр для стиральной машины самостоятельно.
Определяем работоспособность детали
Несмотря на то, что точные результаты сможет предоставить только мультиметр, своими глазами иногда тоже можно найти повреждение элемента
Обращать внимание следует на признаки возгорания: оплавленные провода и контакты, неприятный запах горелого, черные пятна. Если же вокруг фильтра помех нет описанных признаков, то нужно провести несложную диагностику по нашей инструкции
- Установите мультиметр в режим «зуммер».
- Подсоедините щупы устройства к контактам конденсатора.
- Проверьте сопротивление детали – если на выходе нет напряжения, то узел сгорел.
Замена этого элемента не отнимет много времени даже у человека без опыта в ремонте бытовой техники. Все что нужно, это прикрепить фильтр на посадочное место несколькими фиксаторами. Намного сложнее найти деталь, которая подойдет к конкретной модели стиральной машины. Лучше не пытаться искать аналог извлеченного элемента, а сразу взять с собой в магазин неработающую деталь в качестве примера и купить точно такую же, но новую. Только так получится не допустить ошибок и приобрести именно тот фильтр помех, который подойдет стиралке.
После покупки останется лишь установить узел на место, зафиксировать его болтами, спрятать внутренности машинки под верхней крышкой, а потом заново подсоединить оборудование к свету и воде. После замены обязательно проверьте «домашнюю помощницу» – если она и панель управления нормально включаются, то все в порядке.
Различные неисправности слива
Перед началом диагностики технику надо отключить от сети. Для начала необходимо проверить розетку, в которую была включена стиральная машина. Для этого в неё включается любой исправный бытовой электроприбор мощностью около 2000–2500 Ватт. Если при подключении продолжает выбивать УЗО, необходимо вызвать электрика для проверки проводки в доме. Причиной такого явления могут быть расшатанные контакты.
Чаще остальных используется кнопка включения, поэтому ее контакты могут прийти в негодность быстрее остальных. Проверку кнопок на панели управления стиральной машины необходимо начинать именно с нее.
Предлагаем ознакомиться Как правильно стирать в машинке-автомат: советы хозяйке
Заменить поврежденную кнопку можно своими руками. Для этого необходимо отсоединить панель управления и провода, идущие к ней
После этого осторожно извлекается неисправная кнопка и на ее место устанавливается новая
Если проверка всех остальных деталей стиральной машины показала их полную исправность, вероятно, выбивает автоматы из-за замыкания на модуле управления. Контакты на управляющей плате могут окислиться вследствие высокой влажности в помещении. Без навыков работы с электроникой довольно сложно проверить исправность этой детали и выполнить ремонт. Особенно сложен ремонт стиральных машин Самсунг и Lg, так как у машин данной марки плата управления залита компаундом.
Стиральные машины Индезит пользуются заслуженной популярностью у покупателей, потому сервисные центры давно составили перечень самых распространенных их неисправностей. Примерно в 80 % случаев из строя выходят нижеследующие детали.
- Нагревательный элемент (тэн). Основная причина частых его поломок – низкое качество воды в системе. Также можно упомянуть, что Индезит комплектует свою продукцию нагревателями без дополнительной защиты.
- Сетевой фильтр. Задача данной схемы заключается в том, чтобы обеспечить стабильным напряжением все компоненты стиральной машины. Сгоревший фильтр достаточно частая поломка, свойственная даже новым моделям Индезит. Симптомы – машина не включается.
- Подшипники барабана. Данная проблема свойственна всем без исключения стиральным машинам. Стоимость самих подшипников невысока, но в ходе ремонта придется полностью разобрать устройство.
- В машинах, выпущенных до 2012 года, слабым звеном является модуль управления. Это одна из немногих деталей, за ремонт которой не рекомендуется браться самостоятельно, можно разве что заменить плату полностью.
- Двигатель стиральной машины Индезит отличается надежностью и долговечностью, чего не скажешь о датчике, который контролирует обороты ротора. Если двигатель не включается, не надо спешить покупать новый, для начала стоит протестировать датчик и проверить на пробой конденсаторы.
Конечно, перечень возможных неисправностей гораздо шире. Нередки проблемы со сливом воды, вызванные загрязненным фильтром или сгоревшей помпой, случаются повреждения механического плана.
Неисправности стиральной машины Индезит связанные с нарушением сливного тракта чаще всего вызваны засором трубопроводов или поломкой помпы. Симптомы подобной неисправности понятны – вместо слива грязной воды машина останавливается. Индикатор стиральной машины wisl 103 или другой ей подобной выдает сообщение об ошибке (как правило, это F11).
Помимо фильтра стоит отсоединить и проверить сливной шланг. Часто его перегибают, что затрудняет ток воды. Также надо убедиться в отсутствии засора непосредственно в канализации.
Если все детали слива проверены, а ошибка не уходит, придется менять помпу. В стиральных машинах производства Индезит это делается достаточно просто, но не следует сразу покупать новую деталь, есть вероятность того, что на крыльчатку намотались нитки и ее заклинило. В таком случае достаточно извлечь насос, разобрать и почистить его составные части.
Стиральная машина перестает стирать посередине цикла и не отключается
Также бывают ситуации, когда «домашняя помощница» вдруг без отключения останавливается посреди цикла и далее свою работу не продолжает. В этом случае частым виновником является система слива: машинка не может освободить барабан от воды и соответственно продолжить процесс. Как правило, спустя продолжительное время вода стечет, однако после этого необходимо обязательно выяснить, что не дает аппарату слить уже использованную воду. Вариантов может быть два:
- Засорившийся фильтр – его можно аккуратно достать и прочистить самостоятельно;
- Шланги слива – в этом случае лучше обратиться к специалисту.
Приступаем к тестам
Диагностика фильтра начинается с визуального осмотра детали и подведенных проводов. В 98% случаях заметить признаки произошедшего возгорания несложно: об этом говорят оплавленная изоляция, темные пятна, запах гари и обугленные контакты. Если вокруг ФПС все чисто, нужно переходить к тестированию.
Проверить помехоподавляющий фильтр своими руками несложно:
- берем мультиметр и включаем его на режим «Зуммер»;
- цепляем щупы прибора к контактам конденсатора;
- оцениваем сопротивление на входе и на выходе (если на выходе напряжение отсутствует, значит, ФПС перегорел).

Заменить сгоревший фильтр на новый просто: достаточно зафиксировать «коробочку» на посадочном месте парой болтов. Сложность возникает только в подборе аналога – его необходимо приобретать отдельно. Лучше не стараться искать деталь на замену по серийному номеру машинки или мощности. Куда быстрее и надежнее полностью демонтировать старый ФПС, принести в магазин и попросить подобрать похожий конденсатор. В таком случае вероятность ошибки близится к нулю.
После все просто: размещаем фильтр на старое место, фиксируем, возвращаем на место верхнюю крышку и подключаем технику к коммуникациям. Сразу оцениваем результат и включаем стиралку. Если панель загорается без проблем – все сделано правильно.
Ремонт
На стиральных машинах устанавливаются фильтры 2 типов: ремонтопригодные и неремонтопригодные. Корпус последних залит компаундом и разборке не подлежит. Главной причиной выхода из строя детали является дефект конденсатора. Если во время работы послышался хлопок и появился запах горелой изоляции, это взорвался конденсатор.
Для ремонта фильтра нужно его демонтировать и разобрать (снять крышку). Какой конденсатор вышел из строя, определяют визуально. Для замены подбирают деталь с нужными параметрами (0,47 мкФ, 240 В). У нового конденсатора напряжение может быть выше, например 400 В.
Дефектную деталь выбрасывают, а новую устанавливают на ее место. Если типоразмер исправного элемента не позволяет установку на прежнее место, его можно расположить на корпусе ФПС и соединить при помощи клеммника. После этого устройство монтируют на место, а СМА проверяют в работе.
Как работает фильтр
Если сетевой фильтр встроен в стиральную машинку, то он может пропустить колебания с частотой 50 Герц, а остальные импульсы сразу будут заблокированы.
Это значимый момент, так как если рассматривать перебои в сети и скачки, то значительные всплески амплитуды способны нанести урон системам машинки автомат вплоть до полной потери работоспособности.
При эксплуатации защитного устройства запрещено выключать в процессе работы стиральную машину из розетки, так как фильтр может поломаться.
Не имеет значение какой фильтр будет стоять. Лучше любой, чем никакой.
Даже простые катушки индуктивности с маленькой емкостью хорошо, единственная проблема, они не смогут выдержать сильный скачок напряжения.
Некоторые пользователи убеждены в том, что сетевой фильтр не обязательно устанавливать. Возможно старые модели стиральных машин с долей вероятности смогут справиться с количеством тока.
Но, современная техника без защиты с легкостью пострадает при очередной нестабильности в сети и запустив процесс стирки, пользователь может лишится панели управления, двигателя, нагревательного элемента и т.д.
Нестабильность может возникнуть и в самом приборе. При запуске асинхронного двигателя, количество пиков генерируется или происходит провал токов, что может привести к высокочастотной гармонике. Но, благодаря защитному фильтру, этот процесс сглаживается, потому что фильтр ловит такие перепады и сбрасывает их в заземление. Этим самым он предохраняет от поломки устройства и приборы, подключенные к внешней электросети (микроволновки, компьютеры, телевизоры и другие).
Следует брать во внимание тот факт, что если возникает неисправность в сетевом фильтре, например перегорание асинхронного двигателя, то работа всей стиральной машинки полностью прекращается в целях безопасности
Для чего нужен сетевой фильтр
Ремонт домашней техники обходится недешево, поэтому лучше заранее защитить свою помощницу специальным приспособлением, которое:
сглаживает перепады напряжения непосредственно в машине;
предотвращает попадание в электросеть от стиралки токов высокой частоты.
Принцип действия устройства состоит в блокировке колебаний, за исключением 50 Гц. Асинхронный двигатель машины в ходе рабочего процесса производит провалы или пики электрического тока, представляющие опасность. Фильтр помех, в свою очередь ловит их и посылает на резистор, переводящий токи на заземление.

сетевой фильтр сма
Защитные устройства спасают технику не только от повышения, но и от снижения напряжения. При низком показателе барабан прекращает вращение, ток при этом продолжает поступать. В результате этого двигатель перегревается и сгорает. Чтобы предотвратить это, фильтр помех останавливает подачу питания.
При краткосрочном падении напряжения устройство не блокирует работу стиралки, а применяет энергию, накопленную в конденсаторах. Непродолжительный спад наблюдается при включении в квартире других мощных устройств.
Мнение эксперта
Работаю в сфере ремонта бытовой техники. Большой опыт в восстановлении стиральных и посудомоечных машин.
Задать вопрос
Многие считают фильтр более дорогим удлинителем с выключателем. Но не путайте обычный удлинитель и сетевой фильтр помех. Только второе устройство защищает сложную систему бытовых приборов от поломок. В отличие от удлинителя защитной фильтр имеет сложную конструкцию и производится с заземлением.
Внутренний фильтр
Современные стиралки, особенно сенсорные, высокотехнологичные, но при этом достаточно чувствительны к скачкам напряжения. Без защиты машина может сгореть, получив завышенные или заниженные импульсы.
Поэтому производители оснащают устройства внутренними сетевыми фильтрами. Они встраиваются в машины при изготовлении или приобретаются позже и подключаются через источник питания.
Внутренние фильтры помех бывают разными по степени защиты, которая определяется:
- максимальным показателем нагрузки;
- проходимым уровнем напряжения;
- номинальным электротоком;
- временем до отклика после возникновения колебаний в сети.
Встроенное блокирующее устройство в ударопрочном корпусе, неспособном проводить ток, располагается рядом с электрическим шнуром. При поломке его не ремонтируют, а заменяют исправной оригинальной деталью.
Как выбрать
При решении вопроса, как выбрать фильтр, рекомендуется учитывать следующие характеристики:
- мощность прибора;
- особенности конструкции;
- длина провода;
- тип и число розеток;
- наличие контактов для заземления прибора;
- дизайн;
- материал изготовления и т.д.
Через сетевой фильтр должен проходить максимальный указанный параметр мощности для предотвращения выхода из строя бытовой техники. Нагрузка холодильника указывается в техническом паспорте устройства. Стандартная мощность холодильного оборудования составляет не более 600 Вт. Необходимо учитывать, планируется ли подсоединение других приборов к устройству. При периодическом подключении кофеварки (1000-1200 Вт), зарядки сотового телефона рекомендуется фильтр с мощностью не меньше 2000 Вт.
Длина провода определяется по площади помещения, минимальный размер должен составлять не менее 0,5 м. Для установленного рядом со стеной холодильника нужен шнур минимальной длины либо устройство без провода.
Особенности конструкции могут включать добавочные розетки, крышки, разъемы USB и т.д. Остальные характеристики устройства (дизайн, число розеток и т.д.) определяются с учетом пожеланий покупателя.
Выбираем нужный фильтр в зависимости от разновидностей прибора:
- базовый;
- продвинутый;
- профессиональный;
- встраиваемый в стену.
Можно использовать для компактной техники базовые устройства. Фильтры отличаются небольшой стоимостью, просты в эксплуатации.
Продвинутые приборы применяются для холодильников и другой домашней техники. Востребованы изделия, имеющие крышки. К приборам можно подключать не только морозильные аппараты, но и компьютерную технику, телевизоры и т.д. Изделия могут распределять до 900-2000 Дж. Модели оптимальны по соотношению качества и стоимости.
Профессиональные защищающие приборы применяются для дорогостоящей бытовой техники, т.к. могут рассеивать до 2000 Дж. Стоимость приборов выше стандартных фильтров.
Устройства, которые встраиваются в стеновую панель, применяются в зданиях с трехпроводной сетью.
Фильтрующие приборы с управлением выделяют в отдельный подвид, т.к. они входят в комплексную систему по созданию микроклимата в помещении «умный дом». Изделия оснащены Bluetooth либо WLAN и эффективны для использования, т.к. могут регулироваться от сотового телефона и планшета. Подключать холодильник можно даже находясь вне квартиры, дома.
Что делать, если стиральная машина не включается
Начните с осмотра техники:
- Проверьте, подключен ли сетевой провод стиральной машины к сети.
- Проверьте щиток – возможно, в помещении выключилось электричество.
- Если машина не реагирует на кнопку включения, подсоедините к розетке другой прибор и проверьте, работает ли он.
- Осмотрите сетевой провод на момент повреждений, может, он пережат каким-то предметом. Поврежденное место можно скрепить изолентой, но лучше заменить провод полностью.
Если осмотр не дал результатов, понадобится дальнейшая диагностика и ремонт стиральной машины. Опишем типичные причины поломки СМА.
После покупки
Что делать, если не работает новая стиральная машина? Если вы только что установили стиралку, а она не работает, не нужно заниматься самостоятельной разборкой. Обратитесь в магазин по гарантии. Возможно, имеет место заводской брак.
После скачка напряжения
После скачка напряжения в первую очередь страдает сетевой фильтр (ФПС), который защищает электронный модуль машины от сгорания. Также фильтр служит для нейтрализации помех, которым могут подвергаться соседние со стиральной машиной приборы. В результате поломки фильтр может не пропускать электричество.
Как сделать проверку:
- Снимите верхнюю крышку с корпуса стиралки, выкрутив винты сзади.
- У боковой стенки вы найдете сетевой фильтр.
- Осмотрите его и прилагающиеся к нему контакты. Обычно заметны прогоревшие части или вздутие фильтра. Тогда ему сразу нужна замена.
- Если визуально ничего не видно, контакты фильтра прозваниваются мультиметром.
- Ремонту деталь не подлежит. Чтобы вытащить его из корпуса, отсоедините проводку и открутите болт крепления.
От фильтра проводка ведет либо к пусковой кнопке, либо к управляющему модулю. Зависит от года выпуска машины. После перепада напряжения проводка могла сгореть.
Кнопка запуска во включенном состоянии должна пропускать ток. Выяснить это можно, приложив щуп мультиметра к ее проводам. Если показывает сопротивление на экране, значит, кнопка рабочая, если нет – ее нужно заменить.
Иногда кнопка залипает, если на нее попадают моющие средства. Тогда нужно прочистить гнездо и установить клавишу на место.
Чтобы избежать проблем с напряжением, рекомендуется подключать стиралку от электрогенератора.
После переезда
Раньше ваша машина работала исправно, но после переезда не включается? Нужно проверять электронный модуль. Дело в том, что не удаленная из лотка-дозатора вода (она всегда там остается) во время тряски или поворотов машины могла попасть на модуль. Это сразу выводит его из строя или приводит к замыканию при включении.
Проверка модуля:
- Отключите стиралку от электричества.
- Снимите верхнюю крышку.
- Достаньте лоток-дозатор, нажав на фиксатор в центре.
- Открутите все винты, которые крепят панель управления, и снимите ее с корпуса.
- Сфотографируйте расположение проводки, отсоедините ее.
- Разожмите пластиковые защелки, снимите плату с панели.
Если при осмотре повреждений не обнаружено, отдайте плату на диагностику в сервисный центр.
Диагностика неисправностей
Большинство современных стиральных машин устроены таким образом, что при выходе из строя фильтра помех они автоматически прекращают работу и не запускаются до тех пор, пока сломанная деталь не будет заменена. Поэтому самым первым свидетельством поломки является именно невозможность включения машины. Конечно, причиной этому могут служить и другие неполадки, простейшие из которых – это повреждение сетевого шнура или его вилки. Но если с ними всё в порядке, то следующим на очереди идёт именно фильтр помех.
Также, если машинка вдруг начала биться током, появился запах горелой изоляции или машина самопроизвольно стала менять режимы работы во время стирки, (независимо от выбранной вами программы), всё это тоже говорит о неисправности сетевого фильтра.

Если у вас есть мультиметр (прибор для измерения сопротивления, напряжения и силы тока), то в данной ситуации стоит воспользоваться им, чтобы не вызывать мастера:
- В первую очередь нужно прозвонить все контакты попарно. Сопротивление должно быть около 680 кОм.
- Далее измерьте входное сопротивление на штекере. Сопротивление также должно быть около 680 кОм, хотя может немного отличаться.
- Состояние конденсаторов проверить достаточно сложно из-за того, что они залиты компаундом. Но можно попытаться измерить ёмкость между разными входами. Её значение должно быть около 0,47 мкФ.
Заключение
Нужно уделять как можно больше внимания вопросу защиты от машины от скачков напряжения. Ведь это позволяет по максимуму сохранить средства. Современные устройства делают так, что не придётся впадать в панику каждый раз, как только что-то начнёт выходить из строя. Можно быть уверенными в том, что устройство сохранит свою работоспособность.
Нужно лишь помнить о том, что сами сетевые фильтры со временем требуют защиты, поскольку они тоже ломаются, просто от старости. С этим тоже проблем возникнуть не должно, ведь рынок предлагает широкий ассортимент приспособлений.



























