Что можно сделать из бензопилы Дружба
Изготовление снегохода
Домашние мастера сумели сделать снегоход из бензопилы. Машина состоит из следующих конструктивных элементов:
- рамы;
- двигателя внутреннего сгорания (ДВС) мощностью около 5 л.с.;
- подвески, имеющей амортизатор;
- руля;
- пассажирского сиденья;
- лыж либо гусениц;
- системы управления (сцепления, газа).
Снегоход собственного производства можно оснастить по выбору лыжами или гусеницами. Если ставить лыжи, то получатся аэросани, которые будут похожи на представленный на фотографии далее образец техники. Движение такой машины будет осуществляться за счет вращения винта. Аэросани сделать проще, чем снегоход.
При выборе гусениц важным моментом является организация продуманного узла передачи вращательного момента к ним от двигателя. На создаваемый снегоход, возможный внешний вид которого показан на фото далее, потребуется установить центробежное сцепление вместе с цепью и ремнем. Для увеличения тяговых возможностей привода рекомендуется оснащать гусеничный вал шестерней большего диаметра, чем у двигателя.
В качестве руля подойдет данная деталь от велосипеда либо со скутера. Также можно его сделать из металлических трубок.
Модернизация молотка
Распространенное явление — деревянная рукоять, выпадающая из-под удара молотка. Один из способов надежно удерживать ручку — сделать надрез на верхнем конце ручки. Держатель вставляется в гнездо молотка. Разрез заполнен клеем «Момент». В паз вбивается деревянный клин.
Чтобы при работе не искать гвозди, а тем более не удерживать их зубами, в рукоятку молотка снизу вклеен круглый магнит. Магнитные гвозди всегда под рукой. опасно случайно упасть с руки на высоте. Чтобы этого не произошло, в ручке проделывается отверстие, через которое продевается трос. Ремень сотрудника заправлен в петлю.
Расчёт и сборка гусеницы
Гусеница представляет собой ленту, на внешней поверхности которой закреплены траки. Траки — это жёсткие грунтозацепы, установленные по всей длине гусениц. Варианты исполнения гусениц:
- Из транспортной ленты толщиной 3 мм.
- Из автомобильной покрышки.
- Из клиновых ремней.
- Готовые гусеницы заводского изготовления.
Конвейерную ленту необходимо закольцовывать. Её прочности достаточно только для лёгких снегоходов с двигателями не мощней 10 л. с. Автомобильные покрышки прочней ленты, они подойдут для мощных моторов. Цельные покрышки не нужно закольцовывать, поэтому вероятность разрыва минимальна. Покрышку нужной длины подобрать сложней, чем ленту.
Готовые гусеницы снимаются с другой аналогичной техники (снегоходы «Буран», «Шерхан»). На них с завода устанавливаются грунтозацепы. Изделия не годятся для использования с маломощными моторами от мотоблоков. Самодельные снегоходы из «бурановских» гусениц должны иметь зубчатые колёса от одного и того же «донора».
Размер гусеницы подбирается по требуемым ездовым характеристикам: чем больше ширина, тем ниже управляемость, но выше проходимость. Минимальная площадь пятна контакта от снегохода (лыж и гусениц) должна быть такой, чтобы давление от снаряжённого транспорта не превышало 0,4 кг/см2 поверхности. В лёгких снегоходах используют конвейерную ленту шириной 300 мм, разрезанную вдоль на 2 полоски по 150 мм.
Подготовка ленты
Траки крепятся на самодельные гусеницы болтами М6 с широкой шляпкой. Болты фиксируют гайкой, используют шайбу и гровер. Перед креплением в ленте и траках просверливают лидирующие отверстия диаметром 6 мм. При сверлении используют кондуктор и свёрла по дереву со специальной заточкой.
Конвейерную ленту также закольцовывают болтами М6. Для этого края ленты накладываются друг на друга с перехлёстом 3−5 см, соединение содержит 1−2 ряда болтов. Для гусеницы шириной 150 мм выдерживают следующие расстояния:
- От края ленты 15−20 мм.
- Между болтами на траках 100−120 мм.
- Между болтами при кольцевании 25−30 мм.
Самодельные грунтозацепы
Траки выполняются из полиэтиленовой трубы диаметром 40 мм с толщиной стенки 5 мм, распиленной пополам в продольном направлении. Целый участок грунтозацепа прилегает к ленте. В лёгких снегоходах один трак соединяет гусеничную пару. При ширине гусениц 150 мм длина трака составляет 450−500 мм.
Грунтозацепы нарезают с помощью дисковой пилы по дереву. Используют специальный станок с двумя направляющими (металлической и деревянной), жёстко зафиксированными на неподвижной столешнице. Стенки труб распиливаются по очереди.
Расстояние между траками зависит от параметров зубчатых колёс на приводном валу. Обычно составляет 5−7 см. Заданное расстояние выдерживается с погрешностью не более 3 мм. В противном случае работа привода нарушается: грунтозацепы «набегают» на зубья ведущих колёс, гусеница начинает проскакивать и слетать с катков.
Как правильно натянуть цепь на бензопиле?
Натяжка цепи на бензопиле может быть выполнена двумя способами.
В их число входит:
- традиционный метод натяжения при помощи инструмента – чтобы установить цепь на бензопилу потребуется стандартный ключ, который практически всегда поставляется в комплекте с бензиновой пилой. Первая сторона ключа – рабочая, которой откручиваются гайки. Другая сторона ключа представляет собой шлицевую отвертку. Чтобы правильно одеть цепь на бензопилу, нужно вначале ослабить гайки, которые располагаются на крышке, закрывающей место фиксации штатной шины. Главное – не спешить, и медленно подтянуть гарнитуру, регулярно проверяя ее руками. Для этого одной рукой нужно слегка потянуть деталь в нижней части заводской шины. После регулировки останется закрутить гайки в крышке;
- натяжение без инструментов – с этим способом поставить цепь на бензопилу получиться легче и быстрее. Для этого в боковой части пилы есть заводской натяжитель. Путем его вращения оператор сможет контролировать положение гарнитуры на шине.
https://youtube.com/watch?v=CkLsBKh2ysg
Важно разобраться в том, какой стороной ставить цепь на бензопилу. С этой целью непременно потребуется изучить указания в инструкции по эксплуатации инструмента
Как сделать самокат из бензопилы и редуктора УШМ
В данном обзоре автор показывает, как сделать самокат из двигателя бензопилы и редуктора УШМ. Также необходимо будет подготовить профильные трубы и запчасти от старого велосипеда.
Первым делом мастер отрезает по размеру профильные трубы. Потребуется 2 длинных отрезка и четыре коротких.
Из кусков профильной трубы необходимо сварить основу самоката. Для этого два длинных отрезка автор соединяет при помощи коротких, приваренных перпендикулярно.
Потом к основанию необходимо будет приварить раму с вилкой от старого велосипеда. Сварные швы зачищаем с помощью болгарки и лепесткового круга.
Лебедка
Механизм предназначен для горизонтального перемещения или подъема грузов на высоту. Не зависит от наличия электроэнергии, может использоваться на природе, в туристических походах.
Обязательное условие при этом — мощность двигателя лебедки из бензопилы своими руками не должна быть меньше 2,5 кВт.
Важным элементом устройства является барабан — его изготавливают самостоятельно или используют от ручной лебедки. Кроме того, понадобится:
- редуктор для уменьшения оборотов мотопилы;
- металлические трубы или профильный прокат, рычаг, кулачковые зажимы, хомуты.
Порядок изготовления лебедки:
- Из труб изготавливают жесткую раму. Используют сварку.
- Крепят к ней мотор бензопилы. К нему хомутами подсоединяют редуктор, а к выходному валу последнего — барабан.
- Устанавливают рычаг, оборудованный кулачковыми зажимами, связанными с валом барабана. Этот элемент управления позволяет управлять рабочим процессом: при перемещении рычага в одну сторону включается вращение барабана, в другую — происходит его остановка.
- Изготавливают якорь, которым лебедка будет закрепляться в почве или цепляться за какой-либо неподвижный предмет. Используют заостренные уголки, которые приваривают или присоединяют шарнирами к раме.
- Наматывают на барабан трос, свободный конец которого снабжают крюком. Его применяют для захвата, присоединения к грузу, который нужно перемещать.
Устройство существует в 2 вариантах. Буры из бензопилы своими руками делают для земли или для сверления льда. В первом случае приспособление облегчает устройство глубоких ям под столбы, опоры забора, иных конструкций. Во втором — помогает рыбакам зимой сверлить лунки. Отличаются они используемым буром.
Конструкция бензобура предполагает соединение в одно целое готового бура и двигателя мотопилы. Чтобы сделать мотобур из бензопилы, у последней должен быть мотор большой мощности — не менее 2 л. с. Кроме того, понадобятся:
- Редуктор. Это важный элемент устройства. Он необходим для снижения оборотов мотора пилы, т. к. при быстром вращении бура может не хватить мощности двигателя, да и работать при таких условиях трудно.
- Болгарка.
- Металлическая труба.
- Дрель.
- Сварочный аппарат.
Последовательность сборки бура:
- Из металлической трубы изготавливают две прямоугольные рамки. Размер одной — 45х35 см, второй — 10х10 см.
- Соединяют рамки между собой, размещая параллельно одна другой на удалении 30 см. Делают это одинаковыми кусками металлической трубы, сваривая ими смежные углы рамок.
- Внутри полученной усеченной пирамиды к меньшей рамке крепят редуктор.
- По схеме сбора бура сверху устанавливают мотор, соединяя его с редуктором коротким валом (изготавливают предварительно). Рукоятку, которой регулируется подача топлива, выводят на верхнюю большую рамку. На ней же располагают систему аварийного отключения двигателя.
- Подсоединяют, используя кусок трубы, к выходному валу редуктора бур. Детали соединяют шпонками или шпильками.
Как сделать шнек с колесами из транспортерной ленты
После полевых испытаний Старик усовершенствовал шнек, чтобы он сдвигал больше снега к откидывающей лопатке и сделал поворотный желоб для регулировки направления и дальности отброса.
Для нового шнека умелец купил на рынке 1,5м транспортерной ленты толщиной 10мм (цена вопроса 700 руб.) и вырезал из неё четыре кольца диаметром по 28см. Если нет электролобзика, вырезать можно, ввернув в дощечку два шурупа и вращая её по кругу.
Новый шнек — труба ¾, в которой закреплена металлическая лопатка и четыре резиновых кольца, присоединенных к специальным пластинам.
Вращают шнек 205 самоцентрирующихся закрытых подшипника. Единственное требование к ним — чтобы они были закрыты от попадания снега. Идеально справляется с этой задачей опора кардана от автомобиля «Жигули» 01-07 модели (классика).
Приводом шнека может быть или цепь, или ремень (если предполагается использование двигателя от мотоблока, на котором установлен шкив). Все комплектующие продаются в автомагазинах.
Корпус шнека сделан из кровельного железа, боковины из фанеры 10мм. По размеру корпус на 2 см больше шнека – так необходимый зазор есть, но он совсем невелик. Крепление двигателя сделано так, чтобы его можно было без использования инструмента снять и за несколько минут переставить на снегоход. К тому же без двигателя снегоуборщик проще очистить от снега. Основа поворотного желоба для отброса снега — кусок пластмассовой канализационной трубы диаметром 160мм.
Диаметр желоба должен быть больше ширины лопатки шнека, которая выбрасывает снег.
Для изготовления рамы использовались металлические уголки 50Х50мм. К поперечным уголкам приварены уголки 25Х25мм, к которым крепится быстросъемная платформа двигателя. Ручка и поперечные уголки закреплены к продольным уголкам рамы на болтах «М8».
Основание для лыж сделано из деревянных брусков.
СтарикПользователь FORUMHOUSE
Немного «подшаманил» своего снегоуборщика, сделал желоб для выброса снега немного длинней чем прежде, покрасил. Теперь снегоуборщик не только замечательно справляется с возложенной на него функцией, но и стал выглядеть опрятно.
Такой простой и элегантный снегоуборщик можно сделать за пару выходных. Расходов на его изготовление практически не требуется, служит долго, работает эффективно, хранится в сарае, много места не занимает.
Самодельный картинг с двигателем от бензопилы
Главным отличием картинга из бензопилы от мотовелосипеда является то, что он предназначается для более высоких скоростей, поэтому имеет более жесткую четырехколесную конструкцию. Поэтому самым важным элементом является не мотор, а рама – ее придется изготовлять вручную, причем не просто скреплять болтами, а варить.
Кузов

- Для рамы рекомендуется использовать квадратную или круглую трубу – она имеет более высокое сопротивление на изгиб и жесткость, чем обычный профиль или уголок. Вообще нужно использовать несколько размеров: толстая труба диаметром 25 мм для балок шасси, кругляк 20 мм для рамы и несущей площадки двигателя, 15-20 труба для сиденья и остальных узлов.
- Начертите чертеж вашего будущего карта, сделайте тщательные замеры, а только потом начинайте делать картинг с двигателем от бензопилы. Есть масса различных шаблонов в сети. Рекомендуемые параметры – от 1300 до 1800 мм длиной, от 760 до 1000 мм шириной. Межосевое расстояние составляет примерно ¾ от общей длины картинга.
- Приступайте к сборке. Конструкция не должна быть чисто сварной – к примеру, задняя ось должна быть подвижной и свободно вращалась, поэтому ее придется крепить через опорный кронштейн. В противном случае, картинг из бензопилы будет очень плохо проходить повороты и иметь недостаточную управляемость. Можно не заморачиваться и купить уже готовые опорно-подшипниковые узлы – так будет проще и надежнее.
- Делаем сиденье. Тут тоже не так и просто, как кажется – при прохождении крутого поворота водитель может запросто выпасть с сиденья. Можно использовать самодельное сиденье из металла или фанеры – главное, чтобы оно обеспечивало плотную посадку.
Мотор и трансмиссия
Выбор мотора – дело простое. Чем мощнее будет мотор, тем быстрее будет ездить самодельный картинг из бензопилы. Мощности в 2-3 л.с. будет достаточно, чтобы разгоняться до 20-30 км/ч – большего от такой техники и не требуется. Кстати, можно как из бензопилы сделать картинг, так и из триммера.

- Перед установкой мотора подготовьте в задней части рамы площадку, на который будет установлен двигатель.
- Просверлите в кожухе мотора отверстия для креплений, что будут совпадать с отверстиями на площадке.
- Шкив мотора обязательно должен совпадать на оси с рабочим шкивом.
- Звездочку можно использовать от самой бензопилы, но придется ее немного обточить.
- Для трансмиссии используется цепь, но в отдельных случаях возможно применение шкива с клиновым ремнем – он дешевле, а по многих характеристикам не уступает цепи.
- Рядом с мотором разместите бензобак – пластиковую или металлическую емкость объемом 2-3 литра.
Управление и тормозная система

- Педальный узел изготавливается просто. Вырежьте макеты педалей из металлического листа, для лапок используется металлический пруд 8-10 мм. Управляющие троса уложите так, чтобы они не мешали под ногами и лежали ровно – в противном случае, может произойти излом тросика.
- Тормоз должен быть обязательно ножным. Можно конечно сделать его и ручным, но это только усложнит конструкцию. Тормозной диск необходимо крепить непосредственно к раме, а тормозной суппорт – к колесу. В самодельном варианте картинга с мотором от бензопилы можно установить тормоза только на задние ведущие колеса, но если делаете «скоростной» вариант – ставьте тормоза и на переднюю ось.
- Рулевое управление. Один из самых сложных моментов – это сделать поворачиваемые передние колеса. Тут придется использовать поворотные кронштейны, к которым необходимо прикрепить рулевую рейку. Сама рейка соединяется с толстым стержнем, на верхнюю часть которого надевается само рулевое колесо.
Шасси
Для шасси можно использовать любые колеса, что есть под рукой. Передние можно брать меньшего диаметра, а задние – большего. Но при этом прикиньте мощность мотора – если мотор слабый, то крутящего момента просто не хватит. Так что тут придется выяснять все экспериментальным путем. Как правило, диаметр колес не превышает 250-400 мм.
Мотокультиватор, снегоуборщик, ледобур и буроям своими руками
Мотор из бензопилы отлично подойдет и для создания мотокультиватора, предназначенного для вспашки целины (для легких грунтов). Для работы с плотными и влажными почвами мощности и крутящего момента двигателя скорее всего не хватит, а вот для взрыхления поверхностного слоя и удаления оставшихся в земле корней бурьянов культиватора из бензопилы будет достаточно. Главной деталью устройства является вращающаяся фреза, за счет которой и происходит передвижение техники по участку.
 Чертеж снегоуборщика выполненного своими руками с применением бензопилы.
 Чертеж снегоуборщика выполненного своими руками с применением бензопилы.
Если в культиваторе заменить вал с лемехами на шнек, а также оснастить конструкцию заборным устройством и трубой для откидывания снега, культиватор превращается в снегоуборочную машину. Мотора от любой пилы мощностью 3-5 лошадиных сил будет более чем достаточно для уборки рыхлого снега на участке
Важно только выполнить удобный шнековый механизм. Для этого чаще всего применяются лопасти, изготовленные из толстой резины. В качестве заборного устройства подойдут детали из оцинкованной стали
Выброс снега легко осуществить, установив пластмассовую трубу большого диаметра
В качестве заборного устройства подойдут детали из оцинкованной стали. Выброс снега легко осуществить, установив пластмассовую трубу большого диаметра.
Бурить лед или промерзшую землю ручным инструментом – довольно долгое и физически сложное занятие. Создание мотобура своими руками значительно упростит выполнение этой задачи. В этом случае, помимо мотора, необходимо иметь редуктор, регулирующий количество оборотов в минуту, потому как такого сильного вращения, как у бензопилы, устройству не требуется.
На заметку! Если не имеется достаточного количества знаний относительно работы редуктора, можно обратиться за помощью к инженеру, который поможет правильно выбрать нужный механизм. Необходимый тип прибора подбирается в зависимости от характеристик мотора.
Для создания мото- или ледобура своими руками, первое, что потребуется сделать, – выполнить надежный корпус, представляющий собой усеченную пирамиду, состоящую из двух прямоугольников различных размеров. Понадобятся болгарка, сварочный аппарат и металлические трубы. Именно внутри этой рамы и будет устанавливаться редуктор, соответственно, габариты корпуса напрямую будут зависеть от размеров редуктора.
 Буроям из бензопилы станет незаменимым помощников в хозяйстве.
 Буроям из бензопилы станет незаменимым помощников в хозяйстве.
Для надежности специалисты рекомендуют в качестве шнека взять деталь от хорошего мотобура, выполненную из прочной стали, потому как низкокачественный материал не выдержит больших нагрузок. Другой важный вопрос – надежное крепление бура, которое можно осуществить при помощи обыкновенной трубы, зафиксированной с двух сторон шпонками или шпильками. Такой способ крепления позволит менять буры или использовать другие приспособления для работы.
Какие самоделки из бензопилы можно сделать?
Бензопила — очень удобный инструмент для изготовления самоделок. Приспособив её на специальную платформу с колесами, и соединив цепь с валом, на котором будут установлены ножи, можно получить мощную газонокосилку. Кстати, чтобы долго не заморачиваться, на вал можно установить звёздочку от заднего колеса велосипеда.
Кроме того, из бензопилы можно сделать отличную пилораму, поскольку переделывание данного инструмента, в этом случае, также сводится к минимуму.
Вообще, все самоделки из бензопилы, можно разделить на две большие группы:
- В первую группу попадают те самоделки, при изготовлении которых практически нет нужды разбирать и модернизировать бензопилу;
- Ко второй группе самоделок, относится всевозможная техника: снегоуборочные машины, мопеды, аэросани, квадроциклы и т. д. Другими словами говоря, сложные механические устройства, для изготовления которых придется кардинально разобрать бензопилу, сделать водяную или воздушную систему охлаждения, в общем, полностью изменить этот бензиновый инструмент.
Рассмотрим, что можно сделать из бензопилы, что обязательно пригодится в домашнем хозяйстве.
Так, например, на основе бензопилы «Дружба» можно сделать следующие самоделки:
- Мощный лодочный двигатель;
- Бензиновую болгарку;
- Пилораму;
- Мотокультиватор;
- Газонокосилку.
Если дело касается автомобильных самоделок, то из практически любой бензопилы, можно сделать:
- Мопед, если установить бензопилу на велосипед;
- Снегоход и аэросани;
- Снегоуборщик;
- Квадроцикл;
- Самокат.
Конечно же, вторая группа самоделок из бензопилы, требует основательного подхода и полного изучение конструкции.
Также, потребуется докупить все необходимые материалы, а в некоторых случаях, не обойтись и без сварочного аппарата.
Пилорама из бензопилы
Наиболее простой в изготовлении, является самодельная пилорама из бензопилы Урал, Тайга или Дружба. Суть работы самодельной пилорамы заключается в том, что имеется одна большая направляющая, по которой на подвижных салазках, взад и вперёд, двигается бензопила.
В качестве направляющей, можно использовать рельсу или несколько длинных, но ровных металлических уголков. Платформа, на которую впоследствии будет закреплена бензопила, изготавливается из куска толстой стали, толщина которой должна быть не менее 5 мм.
Особого внимания заслуживает подвижная часть пилорамы, та, посредством которой платформа и осуществляет свое движение вдоль направляющей. В качестве роликов, здесь можно использовать металлическую трубу с прорезиненной поверхностью
Очень важно, чтобы ширина подвижной части совпадала бы с шириной направляющей
Как видно на фото, бревно, расположенное рядом с пилорамой, довольно легко разрезается на несколько частей, посредством движущейся по направляющей бензопилы. Таким образом, можно прилично сэкономить на покупке пилорамы, при этом, как видно, бензопилу практически не нужно каким-то образом переделывать, разбирать и т. д.
Мотоблок из бензопилы
Как было сказано выше, из бензопилы можно сделать различные самоделки для дома и дачи. Одними из таких самоделок, являются косилка и мотоблок. С косилкой из бензопилы дела обстоят не так сложно, как с мотоблоком, для изготовления которого придется варить металлическую раму, после чего, приспосабливать к ней два колеса сбоку.
Принцип изготовления мотоблока из бензопилы заключается в использовании нескольких звёздочек, которые могли бы передавать крутящееся усилие ножам. Для этих целей звёздочки располагаются по бокам металлического вала, на котором приварены несколько ножей.
Самодельный мотоблок из бензопилы Урал или Дружба, станет настоящим помощником для тех, кто имеет достаточно большой по площади огород. Может такой мотоблок и не будет отличаться большой мощностью, однако его вполне хватит для того, чтобы решить основную задачу по обработке земли.
Техника на грани фантастики
В Советском Союзе долгое время ходила история о заключённом, который смог улететь с зоны на сделанном из бензопилы самодельном вертолёте. На самом деле это всего лишь красивая легенда, хотя и она имеет под собой реальные научные разработки.
В 1971 году группа студентов Московского авиационного института представила учёному совету новую необычную разработку. Это была летающая одноместная платформа с восемью двигателями от бензопилы «Дружба», синхронизированными в одном блоке. Опытные экземпляры этих разработок неоднократно показывались на различных выставках. Несмотря на это, серийно такие модели так и не были выпущены.
Мечта о небе для любителей конструировать что-либо из бензопил пока остаётся мечтой. Тем не менее, попытки сделать ранцевый одноместный вертолёт с использованием двигателей от «Урала» или «Дружбы» не прекращаются.
https://youtube.com/watch?v=NaN-112KVZ8
Originally posted 2018-07-04 07:16:12.
Что можно сделать из бензопилы Дружба
Техника, которую можно сделать своими руками из имеет большой список. Все ограничивается только фантазией мастера. В интернете опубликовано много видео с подробным описанием пошагового изготовления самоделок. В рамках статьи мы собрали только самые лучшие видео, на основании которых можно без проблем сделать нужную вам технику. Самой простой самоделкой считается лодочный мотор, а сложной – вездеход, мотособака, газонокосилка. Приведем примеры самоделок от простого к сложному.
 Нож из шины
Эта поделка не имеет прямого отношения к бензопиле Дружба 4, однако пользуется спросом, т.к. нож из шины бензопилы Дружбы очень хорошо держит заточку, устойчив к коррозии. Для изготовления потребуется только сама шины от пилы. Цена на вторичном рынке варьируется от 200 до 500 рублей. Для реализации поделки предлагаем посмотреть интересное видео, автор которого подробно описывает, как сделать кухонный нож из шины. Особенность видео в том, что автор показывает простой метод проделывания отверстия в стали рукоятки, без сверления.
 Велосипед
Чтобы сделать велосипед с двигателем от бензопилы Дружба понадобится сама пила и велосипед, желательно Кама с багажником. Процесс изготовления самоделки:
- Закрепить двигатель на раме велосипеда.
- Проложить тросик газа и курок на руль.
- Соединить цепью приводное колесо велосипеда и шкив на двигателе пилы.
 Косилка (газонокосилка)
Чтобы сделать косилку, опять потребуется сама бензопила Дружба 4, маленькие колеса, нож и металлопрокат для изготовления корпуса и защитного кожуха. Нож подойдет либо от мотокосы, либо от газонокосилки, все зависит от того, какой рабочий диаметр будет заложен проектом. Представляем вашему вниманию на обзор видео, автор которого сделал косилку из бензопилы Урал (существенного отличия от Дружбы нет, поэтому и рекомендуем к просмотру).
 Лодочный мотор
Переделать бензопилу в лодочный мотор уже будет гораздо сложнее, нежели в велосипед или косилку. Изделие будет нацелено на контакт с водой, а с ней, как известно нужно быть предельно внимательным. По рекомендациям многих мастеров, привод и вал лучше использовать от старого лодочного мотора. Двигатель от Дружбы 4. Останется только соединить их воедино. Для примера рекомендуем посмотреть интересное видео, автор которого сделал лодочный мотор из бензопилы Дружба 2. Автор демонстрирует работу пилы в бочке с водой.
 Пилорама
Чтобы сделать пилораму из бензопилы, достаточно изготовить приспособление для продольного роспуска бревна. Ее задача – удерживать шину пилы в ровной плоскости относительно бревна. Для наглядного представления рекомендуем посмотреть видео демонстрации приспособы в работе. Из видео становится ясно, что для самоделки нужен минимум материалов – обычный металлопрокат (профильная труба).
 Вездеход
Переделать бензопилу в вездеход уже очень сложно, но все-таки возможно. В интернете много видео, авторы которых реализовали данную идею. Вся суть заключается в том, что нужно изготовить свое шасси: раму, колеса, привод и т.д., а в качестве двигателя будет использоваться бензопила Дружба 4. Единственная рекомендация – это использовать вместо колес обычные камеры, связанные по периметру, такие колеса существенно легче тех, что с шинами, соответственно мотору будет гораздо проще во время движения.
На обзор предлагаем посмотреть интересное видео о самоделке вездеходе из бензопилы Дружба 4. В самоделке используется самокат, гусянка, поэтому это скорей всего снегоход, нежели вездеход.
 Мотособака (мотобуксиробщик)
Изготовление мотособаки из бензопилы Дружба 4, как и в случае с вездеходом также сводится к первоначальной разработке шасси: рама, гусеница, управление и т.д. А двигатель пилы это всего лишь движущая сила.
Предлагаем посмотреть интересное видео, автор которого показывает, как сделать мотособаку почти из подручных материалов. Например, зацепы гусеницы изготовлены из обычных пластиковых труб, а весь каркас мотобуксировщика сварен из обычной профильной трубы маленького диаметра.
 Вертолет
Переделка бензопилы в вертолет – это скорей всего просто эксперимент, практического применения нет. В интернете есть видео летательных аппаратов, авторы которых разработали такие проекты и реализовали в жизнь, например самодельный самолет из бензопилы.
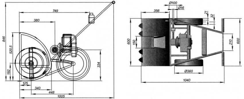
Снегоуборщик с двигателем от бензиновой пилы
Чтобы не раскидывать снег лопатой в зимнее время года, вполне возможно самостоятельно сделать снегоуборщик из бензопилы. Для практической реализации проекта необходим двигатель мощностью около 3 кВт (4,1 л.с.), например, от пилы «Штиль». Кроме привода снегоуборщик состоит из таких узлов и деталей:
- заборного отсека с расположенным внутри шнеком с лопастями;
- ручки;
- рамы;
- выбрасывателя снега.
Все эти узлы видны на следующей фотографии.
Умельцами представлены колесные и оснащенные саночными полозьями модели снегоуборочной техники. Последний вариант более прост в конструктивном плане для воплощения. Вариант конструкции рамы и заборного отсека продемонстрирован на фото далее.
Основные моменты заключаются в подборе пары шестерней и в изготовлении хорошего шнека (показан на фотографии ниже), который будет через цепную передачу приводиться в движение мотором.
Для изготовления корпуса заборного отсека подойдут стальные оцинкованные листы. Лопасти шнека часто делают из толстой резины. В качестве выбрасывателя снега вполне пригодна канализационная труба из пластика.
Вертолет
Примеры изготовления снегохода из бензопилы «Дружба»
Различные интернет ресурсы предлагают несколько рабочих примеров самодельного снегохода из бензопилы «Дружба».
Первый вариант – изготовленная вручную рама, в целом простой, но мощный снегоход:
https://youtube.com/watch?v=Tr2xUbESH28
Второй вариант. Здесь применена практически полностью вся бензопила «Дружба», за базовую основу взят обычный снегокат. Процесс изготовления подобного снегохода детально разобран в статье выше:
Третий вариант. Мотосани для передвижения по льду:
Основываясь на работах умельцев можно сделать вывод, что самодельный снегоход из бензопилы «Дружба» в целом практичный агрегат. Он не имеет достаточной мощности и скорости, скорее всего, будет нелегален. Но с учетом затрат на его сборку и дальнейшую эксплуатацию имеет свои выгодные отличия от заводского аналога. При изготовлении и использовании самодельного снегохода настоятельно рекомендуется не пренебрегать техникой безопасности.

 
            


























